PiControl Solutions
Menu

PiDistill-B Lite

Request More InFo

Real-Time Azeotropic Batch Distillation Column Simulator

PiDistill-B Lite is a full-blown interactive real-time simulator for practice and testing of a typical batch distillation column process interactions and calculations. The simulator is excellent for chemical engineering academic institutions which teach and hold hands-on labs focused on mass and heat transfer, distillation and liquid-vapor separation techniques, process equipment design and process control.  It is excellent for designing different and practical batch distillation column tests, home projects or laboratory examples.  Also, by enabling online teaching and a virtual laboratory it fits perfectly with the goals of new industry revolution, Industry 4.0.

Schedule A Demo

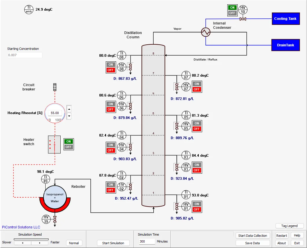
Figure 1 PiDistill-B Lite Process Screen

PiDistill-B Lite-1

PiDistill-B Lite consists of batch distillation column separation process, reboiler and a condenser simulation, as shown on Figure 1.  It allows to each student and/or professor to change (increase and/or decrease) process variables, such as: starting concentration of mixture, heating and cooling to observe how these changes affect batch distillation temperature and concentration profiles. Users can learn and understand how to run the batch distillation column with a total reflux.  They can also observe the trends of all measured variables, such as: temperatures, densities and concentrations and save them in the spreadsheet-based data file for further analysis and study.  This powerful option gives them better and more simplified approach for calculation of theoretical heat and mass balance equations, McCabe-Thiele diagram, Total reflux ratio, or even for empirical static and/or dynamic transfer function and other model identification.  The users can easily compare their calculation results with the simulator step-tests and saved data.

Schedule A Demo

Figure 2 PiDistill-B Lite Trending and saving functionality

PiDistill-B Lite-2

Moreover, the PiDistill-B Lite simulator allows simulation of batch distillation for mixtures with different components, different starting concentrations, and heat duty. The users can fearlessly play with the distillation column, change the conditions in real-time without no possibility of process or plant problems or a shutdown.  It converts any computer into a batch distillation plant real-time process simulation tool where users can change operating conditions and observe how these changes will affect complete distillation unit performance, all in real-time mode.  PiDistill-B Lite, as a practical batch distillation column simulator can mimic all typical behaviors of a distillation process providing valuable knowledge, understanding and experience which students can directly use in any separation industry.  With increasing emphasis on training, safety, reliability and stricter compliance with industry regulations PiDistill-B Lite is expected to be an essential educational simulation tool in modern chemical engineering subjects and laboratories for all technical universities and colleges worldwide.

For technical help and additional details on PiDistill-B Lite and to get free trial software please contact PiControl Solutions Company via email: info@PiControlSolutions.com or by Tel: (832) 495 6436.

 

Schedule A Demo

magnifiercrossmenu